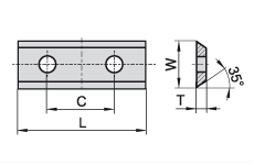
Нож сменный Tigra 2х-сторонний 60*12*1,5 a=35° сплав T04F массив,дсп,мдф
| Длина, L (мм) | 60 |
| Ширина, H (мм) | 12 |
| Толщина, S (мм) | 1.5 |
| Угол атаки, a° (гр) | 35 |
| Сплав | T04F |
Нож сменный Tigra 2х-сторонний 60*12*1,5 a=35° сплав T04F дсп,мдф - используются для фрез со сменными ножами.
Технические характеристики ножа сменного Tigra 2х-стороннего 60*12*1,5 a=35° сплав T04F дсп,мдф
- Длина, L (мм) 60
- Ширина, W (мм) 12
- Толщина, T (мм) 1,5
- Угол атаки, a° (гр) 35
- Сплав T04F
Особенности ножей Tigra
- Сплав TIGRA состоит из твердых хромо- и вольфрамокарбидов, которые образуют вязкий кобальтовый сплав. Карбиды при этом очень точно и равномерно распределены. Таким образом, получается идеальная комбинация высокой твердости и особой вязкости. Сплав TIGRA - идеальный режущий материал для обработки многих видов массива. К высокой износоустойчивости добавляется высокая жароустойчивость, материал очень хорошо поддается пайке, а также дает возможность работать очень острой режущей кромкой. Сплав TIGRA идеально подходит для изготовления шлифованных ножей и бланкет любой формы, а также для изготовления напайных фрез.
Материал:
- Плитный материал ДВП, ЛДПС, MDF, ПВХ и массив.
ДОСТАВКА ПО МОСКВЕ И ОБЛАСТИ: ежедневно с 7:00 до 24:00, тел. +7 (495) 642-42-62 моб. +7 (929) 558-16-18
- При заказе на сумму до 5 000 рублей, стоимость доставки - 900 рублей, в пределах МКАД.
- При заказе на сумму от 5 000 до 20 000 рублей, стоимость доставки - 500 рублей, в пределах МКАД.
- При заказе на сумму от 20 000 рублей, доставка осуществляется бесплатно, в пределах МКАД.
- Доставка до любой транспортной компании в Москве - осуществляется бесплатно.
- Доставка за МКАД, стоимость доставки по тарифу - 40 руб. за 1 км пути.
- Доставка крупногабаритных товаров превышающие размеры и вес: Высота от 90см / Ширина 100см / Глубина 160 см, 100 кг, тариф - от 80 руб. за 1 км пути.
Доставка нашим курьером по Московской области осуществляется в следующие города:
Балашиха, Видное, Воскресенск, Дзержинский Дмитров, Долгопрудный, Домодедово, Дубна, Егорьевск, Жуковский, Ивантеевка, Клин, Коломна, Королёв, Красногорск, Лобня, Лыткарино, Люберцы, Мытищи, Наро-Фоминск, Одинцово, Орехово-Зуево, Павловский Посад, Подольск, Пушкино, Раменское, Реутов, Сергиев Посад, Серпухов, Солнечногорск, Ступино, Фрязино, Химки, Чехов, Щёлково, Электросталь.
ДОСТАКА В РЕГИОНЫ:
- Стоимость и дата получения товара по России - рассчитывается индивидуально, в зависимости от тарифов транспортной компании, габаритов товара и региона.
ПУНКТЫ САМОВЫВОЗА: Пн. - Пт. с 8:00 до 18:00, тел. +7 (495) 642-42-62 моб. +7 (929) 558-16-18
- г. Москва, Ярославское ш., 146, корп. 1
- Московская область, г. Мытищи, Коммунистическая ул., владение 21А, стр. 1, этаж 2, офис 210 (500 метров от МКАД)
ДОСТАВКА НАЛОЖЕННЫМ ПЛАТЕЖОМ
Наш интернет-магазин предоставляет услугу доставки товаров по России наложенным платежом. Доставку товаров наложенным платежом осуществляет компания СДЕК. Наложенный платёж — полная денежная сумма, с учетом стоимости заказанного товара и доставки, которую транспортная компания взыскивает по поручению faznik.ru с получателя при вручении заказа. Доставка производится до терминала транспортной компании СДЕК.
За данный вид доставки взымается дополнительный платеж в размере 5% от суммы товара.
Пункты выдачи СДЭК:
г. Абакан, ул. Чертыгашева, д.126, оф. 13
Ростовская область, г. Азов, ул. Измайлова, д.55
Ростовская область, г. Аксай, ул. Садовая, д. 31, вход со двора
Владимирская область, г. Александров, ул. Красной молодежи, д.5
Крым респ., г. Алушта, ул. Таврическая, д.4А
Татарстан респ., г. Альметьевск, ул. Чехова, д.19
Краснодарский край, г. Анапа, ул. Крымская, д.218, оф.19
Иркутская область, г. Ангарск ул. 89-й квартал, д. 1
Московская обл., г. Апрелевка, ул. Парковая, д.3
Нижегородская область, г. Арзамас, ул. Парковая, д.1Г, оф.(Цокольный этаж)
Краснодарский край, г.Армавир ул.Советской Армии, д.97, оф.27
Приморский край, .г. Артем, ул. Ключевая, д.1/1,оф.1
г. Архангельск , ул.Свободы, д.53
Свердловская обл., г. Асбест ул. ул. Ленинградская, д.35
г. Астрахань, ул. Селенского, д.13, оф. 103
г. Астрахань, ул. Кирова, 84
Красноярский край, г. Ачинск, ул. Калинина, д. 6, пом. 32
Саратовская область, г.Балаково, Проспект Героев, д. 41, офис 321
Нижегородская область, г. Балахна, ул. Дзержинского, д.1
Московская область, г. Балашиха, ул. Советская, д.56
г. Барнаул, ул. Балтийская, д.50
г.Барнаул, пр-т Строителей, д.29
г. Барнаул, ул. Малахова, д.83
г. Барнаул, ул. Малахова, д. 179
г. Барнаул, пр-т Ленина, д. 150
Ростовская область, г. Батайск, ул. Куйбышева, д.140А
Республика Крым г. Бахчисарай, ул. Фрунзе, д. 28
г.Белгород, ул.Харьковская, д.34, корп.1
г. Белгород, ул. Губкина, д.38А
Кемеровская обл., г. Белово, пер. Почтовый, д.8
Новосибирская область, г. Бердск, ул. Вокзальная, д.26, оф.209
Пермский край, г.Березники, ул. Пятилетки, д.50
Алтайский край, г. Бийск, ул. Советская, д. 27/3, оф. 3
г. Биробиджан, ул. Пионерская, д.66, литер Б
г.Благовещенск, ул. Тенистая, д.101А
Забайкальский край, г. Борзя, ул. Савватеевская, д.132
Воронежская обл., г. Борисоглебск, ул. Юбилейная, д.16, оф.12
Новгородская область, г. Боровичи, ул. Подбельского, д.27, цокольный этаж
Иркутская область, г. Братск, ул. Комсомольская, д.16, оф.12
г. Брянск, ул. Бурова, д.14
г. Брянск, ул. 3 Интернационала, д.4
г. Брянск,ул. Дуки, д.65
Республика Татарстан, г. Бугульма, ул. Мусы Джалиля, д. 52
Псковская область, г. Великие Луки, ул. Ботвина, д. 19, оф. 2
г. Великий Новгород, ул. Б.Санкт-Петербуржская, д. 39, стр. 11
г. Великий Новгород, ул. Великая, д. 6, корп. 1
Московская область, г. Видное, ул. Донбасская д. 2, оф.3
г. Витебск, Зеньковой, д.1, оф.1А
г.Владивосток, пр-т Красного Знамени, д.34
г. Владивосток, ул. Западная, д. 29, стр.8
г. Владивосток, ул. Жигура, д.12
г. Владивосток, ул. Снеговая, д.13
г. Владивосток, ул.Давыдова, д.22а
г. Владивосток, ул. Героев Тихоокеанцев, д.5а
г. Владивосток, ул.Пушкинская, д.52
г. Владикавказ, пр. Коста, д.213
г. Владимир, ул. Тракторная, д.35
г. Владимир, Октябрьский пр-кт, д.7, оф.72
г. Волгоград, ул. 8-й воздушной армии, д.28А, ТЦ Диамант 1 эт
г.Волгоград, ул. Рабоче-Крестьянская, д.44/1
г.Волгоград, ул. Мира, д.18
г.Волгоград, б-р Энгельса, д. 29
г. Волгодонск, ул. М. Кошевого, д.38-Г
Марий Эл, г. Волжск, Матющенко, д.30Б
Волгоградская область. г. Волжский, пр. Ленина д. 92Б
г. Вологда, ул. Костромская , д.5, цокольный этаж
г. Вологда, ул. Предтеченская, д.72, 1 этаж
Московская область, г. Волоколамск, ул. Панфилова, д. 5, оф. 27, этаж 1
Ленинградская область, г. Волхов, ул. Волгоградская д. 15
Воронеж, ул. Генерала Лизюкова, 17А, ТЦ «Калинка»
Воронеж, ул. Остужева, д. 28
г. Воронеж, Проспект Труда, д.46/1
г. Воронеж, ул. Ленинградская, д.55а
г. Воронеж, ул. Пушкинская, д 42
г. Воронеж, ул. Ворошилова, д 49а
Московская обл., г. Воскресенск, ул. Советская, д.2
Удмуртская Республика, г. Воткинск, Робеспьера, д.17
Ленинградская область,г. Выборг, Ленинградское шоссе, д.47
Вязники, ул. Ленина, 20
Вязьма, Комсомольская, д.17
Ленинградская область, г.Гатчина, пр. 25-го Октября, д.10
Краснодарский край, г.Геленджик, ул. Прасковеевская, д.3
Краснодарский край, г.Геленджик, ул. Маршала Жукова, д ?
Ставропольский край, г. Георгиевск, ул. Пушкина, д.48, оф.1
Удмуртия респ., г. Глазов, ул.Пряженников, д.67
Удмуртия респ, г. Глазов, ул. Молодой Гвардии, д 5-А
г. Горно-Алтайск , ул. Григория Чорос-Гуркина, д. 45
Владимирская область, г.Гороховец, Ленина, д.29
г. Грозный, ул. Маяковкого, д.170, оф.1 этаж
Белгородская обл., г. Губкин, ул. Кирова, д. 45
Республика Крым, г.Джанкой, ул. Крымская, д.30в, оф.4
Нижегородская область, г. Дзержинск, ул. Терешковой, д. 8
Ульяновская область, г. Димитровград, ул. Октябрьская, д.71
Московская область, г.Дмитров, ул. Московская, д.3
Московская область, г. Долгопрудный, ул. Циолковского, д.34
Московская обл., г. Домодедово, ул. Кирова, д.7, оф.1
Московская область, г. Дубна, пр. Боголюбова, д. 16А
Крым респ., г.Евпатория, ул. Крупской, д. 60А
Краснодарский край, г. Ейск, ул. К.Маркса, д 39
г. Екатеринбург, ул. Степана Разина, д.80
г. Екатеринбург, ул. Белинского, д.232
г. Екатеринбург, ул. Крауля, д.2
г. Екатеринбург, ул. Шаумяна, д.33
г. Екатеринбург, Сибирский тракт, д.12 стр 3, оф.109/2 (БЦ Квартал)
г. Екатеринбург, ул. Титова, д.19, оф.116
г. Екатеринбург, ул. Техническая, д.51
г. Екатеринбург, ул. Малышева, д.145Б
г. Екатеринбург, ул. Норильская, д.77, (База Звезда)
г. Екатеринбург, ул.Челюскинцев, д 33а
г. Екатеринбург, ул. Рябинина, д.31
г. Екатеринбург, ул. Вайнера, д.51Б, оф.1-3
г. Екатеринбург, ул. Машиностроителей, д.19, оф.187, необходимо удостоверение личности
г. Елабуга, ул. Интернациональная, д.3
г. Елец, ул. Ленина, д.80а
Камчатский край, г. Елизово, ул. Виталия Кручины, д.26А
Ставропольский край, г. Ессентуки, ул. Ермолова, д.123
Ставропольский край, г. Железноводск, ул. Ленина д.97, оф 2
Московская область, г. Железнодорожный, ул. Октябрьская, д.25, к.1
Московская область, г. Железнодорожный, ул. Речная, 16
Московская область, г. Жуковский, ул. Луч, д.20
г. Забайкальск, ул. Комсомольская, 50а
г. Забайкальск, ул. Северная, д.72
Пензенская обл., г. Заречный, ул. Ленина, д.47
Московская область, г. Звенигород, ул. Московская, д. 35А
Красноярский край, г. Зеленогорск, ул. Советская, д.6
Московская область, г. Зеленоград, Крюковская площадь, д. 1А ТЦ Крюковская Эстакада
Московская область, г. Зеленоград, Панфиловский проспект, корпус 1215 ( ТЦ ОЛЬГА)
Татарстан респ., г. Зеленодольск, ул. Карла Маркса, д.57А
Ставропольский край, г. Зеленокумск, пл. Ленина, д. 6, оф. 8
Ростовская область, г. Зерноград, ул. Колодина, д.3
Челябинская область, г. Златоуст, 5 мкр, ул. Южно-Есаульская, д. 8
Челябинская область. г. Златоуст, ул. Таганайская, 1 Б
г. Иваново, ул. Лежневская, д.183, оф.121
г. Иваново, ул. Спартака, д. 22
г. Иваново, пр-т Ленина, д. 43
г. Иваново, ул. Станко, д.10
Московская область, г. Ивантеевка, ул. Рощинская, д. 9, пом. 023
г. Ижевск, ул. Максима Горького, д. 43, оф. 126
г. Ижевск, ул. 10-лет Октября, д.32, лит.Р, БЦ "Омега"
г. Ирбит, ул. Советская, 96в оф.110
г.Иркутск, ул. Ширямова, д.24
г. Иркутск, ул. Карла Либкнехта, д.2
Новосибирская область, г.Искитим, ул.Чкалова, д.3, оф.16
Московская область, г. Истра, ул. Ленина, д.27
г. Йошкар-Ола, ул. Петрова, д 24-А
г. Йошкар-Ола, ул. Якова Эшпая, д.137
г. Казань, пр-т Победы, д.90, вход "Деловой центр"
г. Казань, ул. Адоратского д. 4
г. Казань, ул.Спартаковская, д.2
г. Казань, ул.Декабристов, д.156, оф.9
г. Казань, ул. Гвардейская, д. 16 А, оф. 1
г. Казань, ул. Энгельса, д.19
г. Калининград, ул. Озерная, д.41А
г. Калининград, ул. 1812 года, д.126
г. Калуга, ул. Глаголева, д.5
г. Калуга, Тульский 2-й переулок, д. 2
г. Калуга, ул. Театральная, дом 4Б
Свердловская обл., Каменск-Уральский, ул. Каменская, д.78
Ростовская область, г. Камеснк-Шахтинский, ул. Кирова, д.74
г. Камышин, ул. Пролетарская 16 А офис 9
Красноярский край, г. Канск, ул. 40 Лет Октября, д.38
Новосибирская область, г. Карасук, ул. Ленина, д.8
Новосибирская область, г.Каргат, ул.Советская, д. 203, оф.13
г. Кемерово, ул. Тухачевского, д. 47В
г. Кемерово, пр. Кузнецкий, д. 10
г. Кемерово, ул. Авроры д. 6
Крым респ., г. Керчь, ул. Советская, д. 15
Тверская область, г. Кимры, ул. Кирова, д.4
Ленинградская область, г. Кингисепп, ул. Октябрьская, д 15
Ивановская область, г. Кинешма, ул. Правды, д.20
Владимирская область, г. Киржач, ул. Гагарина, д.15
Ленинградская область, г. Кириши, пр.Ленина, д.53
г. Киров, ул. Московская, д.15 (вход с ул. Свободы)
Ленинградская обл., г. Кировск, ул. Северная, д.1В
Кемеровская область, г. Киселевск, пер. Транспортный, д.4, оф.7
Ставропольский край, г. Кисловодск, ул. Горького, д. 1
Московская область, г. Клин, ул. Спортивная, д.15/1
Брянская область, г. Клинцы, Проспект Ленина, д.49в
Владимирская область, г. Ковров, Проспект Мира, д.2
Московская область, г. Коломна, ул. Зайцева, д. 38, оф. 19
Санкт-Петербург, г.Колпино, ул. Тверская, д.36, корп.3
Хабаровский край, г. Комсомольск-на-Амуре, пр-т Победы, д. 53
Хабаровский край, г. Комсомольск-на-Амуре, Октябрьский проспект, д. 28
Челябинская область, г. Копейск, пр. Победы, д. 10, оф. 6
Московская область, г. Королев, ул. Калинина, д.6Б, оф.15
Московская область, г. Королев, ул. Свободная, д.1А
г. Кострома, ул. Сутырина, д.15А
г. Кострома, мкр Паново, д.17
г. Кострома, ул. Ткачей, д.7, оф. 9
г. Кострома, ул. Пятницкая, д. 39/1, пом. 1
Московская обл., г. Котельники, Новорязанское шоссе, д.6, оф.14
Московская область, г. Красногорск, ул. Успенская, д 24
Московская область, г. Красногорск, б-р Красногорский, д. 21
Московская область, г. Красногорск, ул. Ленина, д.5Б, оф 5
Московская область, г. Красногорск, микрорайон Теплый бетон, Оптический переулок, д. 1А
г. Краснодар, пр. Чекистов, д.24/1
г. Краснодар, ул. Уральская , д. 129
г. Краснодар, ул. Стасова, д.184, оф.11
г. Краснодар, ул. 40 лет Победы, д.43
г. Краснодар, ул.Коммунаров, д.31
г. Краснодар, ул. Кубанская Набережная, д. 3711, 0 этаж, оф.70
г. Краснодар, ул. Монтажников, д.3Б, оф.30
г. Краснодар, ул. Северная, д. 247, оф. 4
г. Краснодар, ул. Таманская, д.130/3
г. Краснодар, ул. Вишняковой, д.3
г. Краснодар, ул. Красная, д.124 (угол Буденного и Красноармейской)
г. Новосибирск, п.Краснообск, д.213, оф.104
Крым респ., г. Красноперекопск, ул. Чкалова, д. 4/1
Свердловская область, г. Краснотурьинск, ул. Ленина, д.3
Свердловская область, г. Красноуфимск, ул. Советская, д. 35
г. Красноярск, ул. Мате Залки, д.7 помещение 341, оф.2
г. Красноярск, ул. Авиаторов, д. 68
г.Красноярск, ул. Сурикова, д.12/6, оф.Вход с ул К.Маркса
г. Красноярск, улю Киренского, д.89
г.Красноярск, ул. Шахтеров, д.49ж/4, склад № 3
г. Красноярск, ул. Затонская, д.2, оф.3
г. Красноярск, ул. Щорса, д.27, оф.104
Краснодарский край, г. Кропоткин, ул. Красная, д. 260, оф. 267
Краснодарский край, г. Крымск, ул. Советская, д. 223
Нижегородская область, г. Кстово, пр-кт Капитана Рачкова, д. 21
Пермский край, г. Кудымкар, ул. Калинина, д.39а
Новосибирская область, г.Куйбышев, 11 квартал, д.8
Пермский край, г. Кунгур, ул. Уральская, д.3
Новосибирская область, г. Купино, ул. Железнодорожная, д.26
г. Курган, ул. Бурова-Петрова, д.117
г. Курск, ул. Запольная, д.56
Краснодарский край, г. Лабинск, ул. Советская, д. 63/1
Кемеровская область, г. Ленинск-Кузнецкий, пр. Кирова, д.91
Ставропольский край, г. Лермонтов, ул. Матвиенко, д.1 оф.30
г. Липецк, пр. Победы, д.128
г. Липецк, пл. Петра Великого, д.5, оф. 05
Московская обл., г. Лобня, ул. Крупской, д.12а,вход со стороны пруда (салон Нарцисс), оф.1
Ленинградская обл. г. Луга, ул. Железнодорожная, д. 2/6
Московская область, г. Люберцы, Октябрьский проспект, д.145
Калужская область, г. Людиново, ул. Ленина, д.4
г. Магадан, ул. Кольцевая, д.3
г. Магнитогорск, ул. Ворошилова, д. 7
г. Майкоп, , ул. Шовгенова д. 1
Московская область, г. Малаховка, Быковское шоссе, д. 37/5
г. Махачкала, ул. Петра Первого, д.25к1
г. Мегион, ул. Проспект победы, 3
г.Междуреченск, г. Междуреченск, пр. Коммунистический, д.7
Башкортостан респ, г. Мелеуз, ул. Октябрьская, д. 5
Челябинская обл., г.Миасс, ул. Лихачева д.31, офис 11.
Ставропольский край, г.Минеральные воды, ул. 50 лет Октября, д.67, офис 117
г. Москва, ул. Муравская, д. 1, стр 1
г. Москва , ул. Ангелов, д.8
Ставропольский край, г. Михайловск, ул. Ленина, д.167/2, корп.2, пом.59
Могилевская область, г. Могилев, Коммунистический пер, д.6, оф. 12
Московская область, г. Можайск, ул. Желябова, д. 31, оф. 1
г. Москва, ул. Энергетиков, д. 22 к. 2
г. Москва, ул. Энергетиков, д. 22 к. 2
г. Москва, ул. Коминтерна, д.4, оф.10
г. Москва, ул. Ярославская, д. 8, к. 1, оф. 125
г. Москва, г. Москва, ул. Римского-Корсаково, д.8, подъезд 8
г. Москва, Юрловский пр., корп. 4, д. 14, оф. 11
г. Москва, Суденческий пр., д. 4, корп. 1
г. Москва ,ул. Добролюбова д.21А, корп.А
г. Москва, Локомотивный пр-зд, д.21, оф.104
г.Москва, ул. Новослободская, д.31 стр. 4
г. Москва, Большой Сухаревский переулок, д.15с2
г. Москва, ул. 1-я Ямская, д.3/7
г. Москва, Настасьинский переулок, д. 8, стр. 2
г. Москва, ул. Свободы, д.89, корп.5
г. Москва, ул. 3-я Радиаторская, д. 9
г. Москва, ул. Соколова-Мещерская, д. 14К1, оф. 8
г.Москва, ул.Нелидовская, д.21, корп.1
г. Москва, Кронштадский б-р, д. 7А, оф. 102
г. Москва, Ленинградский пр., д.75А
г. Москва, Ленинградский пр-т, д. 2
г. Москва, Хорошевское шоссе, д.43а
г. Москва, 1-й магистральный проезд, д.12, ст.1
г. Москва, пр. 1-й Магистральный, д. 12, стр. 1
г. Москва, ул. Маршала Новикова, д. 16
г.Москва, ул. Осенняя, д.4, корп.1, оф.П45.2
г. Москва, Можайское ш., д. 30
г. Москва, ул. Молодогрвардейская, д.54, корп 4
г. Москва, ул. Ивана Франко, д. 6
г. Москва, Багратионовский пр-д, д.7 корп. 20 В, оф.4, (Вход из арки)
г. Москва, ул. Раменки, д.23
г. Москва, ул. Марии Поливановой, д.9
г. Москва, Проспект Вернадского, д.29
г. Москва, Фрунзенская наб., д.30с2, Супермаркет "Билла"
г. Москва, ул.2-й Вражский переулок, д.5
г. Москва, Балаклавский проспект, дом 5
г. Москва, ул. Тарусская, д.18 к1, оф.6
г. Москва, пр-т Новоясеневский, д. 1Б, корп. 1, оф. 11
г. Москва, ул. Кировоградская, д.15 ТЦ "Электронный рай", оф.1Г-7
г. Москва, ул.Карьер, д.2, стр. 1
г. Москва, ул. Профсоюзная, д.45, вход с левого торца
г. Москва, ул. Генерала Антонова, д.3а, оф.2
г. Москва, ул. Вавилова, д.17А
г. Москва, ул. Дмитрия Ульянова, д.36
г. Москва, ул. Домодедовская, д.20 корп. 1 подъезд ГОРЖИЛСЕРВИС, оф.5
г. Москва, пр-т Андропова, д.15
г. Москва, ул. Братеевская, д.16, корп.6
г. Москва, ул. Луганская, д.5, оф.1
г. Москва, 3-й Автозаводский пр-д, д.4
г. Москва, Каширское шоссе, д.22, корп. 3 стр. 11
г.Москва, 6-я Кожуховская, д. 29-б, под. 3, оф. 22
г. Москва, 6 рощинский пр, д.1, стр.4
г. Москва, ул. Летниковская, д.4, стр.2
г. Москва, ул. Большая Пионерская, д. 40/11
Московская область, г. Москва, район Кожухово, ул. Дмитриевского, д.23
г. Москва, пр-т Федеральный, д. 29, оф. 201 Б
г. Москва, ул. Авиамоторная д. 69
г. Москва, ул. Перерва, д. 19, стр.1
г. Москва, ул. Цимлянская, д. 20
г. Москва, ул. Хлобыстова, д.12
г. Москва, ул. Зеленодольская, д.36, корп.2, оф.32
г.Москва, Мячковский б-р, д.11
г. Москва, ул. Гурьянова, д.30, цоколь
г. Москва, ул. Динамовская, д.1А, оф.110А
г. Москва, Товарищевский пер., д.1, стр. 2
г. Москва, ул. Детская, д. 19
г.Москва, ул.Щелковское шоссе, д.29
г. Москва, пл.Комсомольская, д.6 отдельный вход с правого торца здания
г. Москва, Девятая рота, д. 14
г. Москва, ул. 9-я Парковая, д.52, корп. 1
г. Москва, ул. Сергия Радонежского, д. 31
г. Москва, ул. Первомайская, д. 1, вход со двора
г. Москва, пер. Плетешковский, д.7-9, стр.1
г. Москва, Лучников пер., д.4, стр.2
г.Москва, Московский, 1-й микрорайон, д.52, оф.4
г. Мурманск, ул. Самойлова, д.18
Владимирская область, г. Муром, ул. Московская, д. 12, вход со двора
г. Мытищи, ул. Трудовая, 22
Московская область, г. Мытищи, ул. Колпакова д.9/2
Татарстан респ., г. Набережные Челны, пр.Московский, д. 70
Татарстан респ., г. Набережные Челны, пр-кт Сююмбике, д. 61/2 (45/16), оф. 101
Татарстан респ., г. Набережные Челны, пр. Мира, д.35, оф.11/17
Татарстан респ., г. Набережные Челны, пр. Мусы Джалиля, д.79/1, .11
Ямало-Ненецкий АО, г.Надым, Панель «С», здание ГКУ, оф.2
Красноярский край, г. Назарово, ул. Парковая, д. 13 «а», оф. 5
Республика Ингушетия, г. Назрань, пр-т Базоркина, д. 102
г. Нальчик, ул. Мальбахова, д.77
Московская область, г.Наро-Фоминск, пл.Свободы, д.1А
г. Нарьян-Мар, ул. Полярная, д.16
Московская обл., г. Нахабино, ул. Вокзальная, д. 15
Приморский край, г. Находка ул. Красноармейская 19
Ставропольский край, г.Невинномысск, ул.Павлова, д.4
г. Нерюнгри, пр. Ленина, д. 10, ТЦ Легион
Башкортостан респ., г.Нефтекамск., ул. Социалистическая, дом 37, оф.2
Ханты-Мансийский АО, г. Нефтеюганск, 12 микрорайон, д. 63 (Бывшее Здание СНГБ)
Ханты-Мансийский АО, г.Нижневартовск, ул. Мира, д.96
Ханты-Мансийский АО, г.Нижневартовск, ул. Маршала Жукова, 5, оф. 105
Татарстан респ., г.Нижнекамск, ул. Сквер Лемаева, д. 8 оф. 101
г. Нижний Новгород, ул. Красных Зорь, д. 27
г.Нижний Новгород, ул. Бекетова, д.35
г. Нижний Новгород, пр. Гагарина, д.101, к3
г.Нижний Новгород, пр-т Ленина, д. 41
г. Нижний Новгород, ул. Гордеевская, д.7, оф.117
г. Нижний Новгород, Моторный пер., д.2
г. Нижний Новгород, ул. Родионова, д.26
г. Нижний Новгород, ул. Бурнаковская, д.51А
г. Нижний Новгород, пр. Ленина, д.77
г.Нижний Новгород, ул. Передовая, д.2А
г. Нижний Новгород, ул.Ошарская, д.14
Свердловская область, г. Нижний Тагил, ул. Юности, д.16А
Свердловская область, г. Нижний Тагил, ул. Красноармейская, д.79
Свердловская область, г. Нижняя Тура, ул. Ленина, д.121А
Алтайский край, г. Новоалтайск, ул. Гагарина, 6
г. Новокузнецк, ул. Кирова, д.109
г. Новокузнецк, ул. Металлургов, д. 38
Тульская область, г. Новомосковск, ул. Кирова, д.3
г. Новороссийск, ул. Дзержинского, д.154, оф.4, код домофона #4230
г. Новороссийск, ул. Революции 1905 года, д. 35
г. Новосибирск, ул. Выборная, д.122
г. Новосибирск, пр-кт Дзержинского, д.1/1, цоколь под Белорусскими кухнями
г. Новосибирск, ул. Богдана Хмельницкого, д.63
г. Новосибирск, ул. Восход, д.1А, оф.210
г. Новосибирск, Красный проспект д.25, оф.205
г. Новосибирск, ул. Советская, д. 54
г. Новосибирск, Академгородок, ул. Ильича, д. 6
г. Новосибирск, ул. Бориса Богаткова, д.203/1
г. Новосибирск, ул. Зорге, д.1а, оф.1
г. Новосибирск, ул. Вавилова, д. 3, оф.2
КАРЛА МАРКСА ПР-КТ, д.2, оф.212 , БЦ на Башне
г. Новосибирск, пр-кт Дзержинского, д.34/1, оф.105
г.Новосибирск, Красный пр., д. 79/3
г.Новосибирск, пр.Красный, д.99
г. Новосибирск, ул. Дуси Ковальчук д. 179А, оф. 2
г. Новосибирск, Гусинобродское шоссе, д.20
г. Новосибирск, ул. Героев Революции, д.5/2
г. Новосибирск, Горский микрорайон, д. 53
г. Новосибирск, ул. Кривощековская, д.15, корп. 5
г. Новосибирск ,ул. Гоголя, д. 38
г. Новосибирск, ул. Мясниковой, д.20
г. Новосибирск, ул. Фрунзе, д. 23
г. Новосибирск, Вокзальная магистраль, д.3, крыльцо химчистки
Свердловская область, г. Новоуральск, ул. Фрунзе, д.5, оф.3
Чувашия респ., г. Новочебоксарск, Ельниковский проезд, д. 2
Ростовская область, г. Новочеркасск, ул. Комитетская, д.116
Ростовкая область, г. Новошахтинск, ул. Харьковская, д.113
Ямало-Ненецкий АО, г. Новый Уренгой, ул. 26 Съезд КПСС, д.4В (Дом Быта)
Ямало-Ненецкий АО, г. Новый Уренгой, ул. Промысловая, д.12, Торговые ряды
Московская область, г. Ногинск, Пожарный пер., д.1, вход с торца, перед въездом на плат.парковку
Красноярский край, г. Норильск, ул.Лауреатов, д.41
Красноярский край, г. Норильск, пр-т Ленинский, д. 35
Ямало-Ненецкий АО, г. Ноябрьск, ул. Энтузиастов, д.30 Г, 1 этаж
Ханты-Мансийский АО, г. Нягань, ул. Ленина, д.1, оф. 7
Калужская область, г. Обнинск, ул. Гурьянова, д. 21, оф.105
Московская область, г. Одинцово, Можайское шоссе, д.13
Челябинская область, г. Озерск, пр.Карла Маркса, д.32, оф.87
Башкортостан респ., г. Октябрьский, ул. Губкина, д.4
г. Омск, ул. 5-й армии, д.6
г. Омск, пр.-т Комарова, д. 11, к 1
г. Омск, ул. Герцена, д 19
г. Омск, пр. Мира, д.25
г. Омск, ул. Пушкина, д.137
г. Омск, ул. Гагарина 8/2, оф. 111
г. Омск, ул. 10 лет Октября, д.136/1
г. Орел, ул. 60 лет Октября, д. 17
г. Оренбург,ул. Восточная, д.42/6
г. Оренбург,ул. Салмышская, д.34/5, оф.101
Московская область, г. Орехово-Зуево, 1-й проезд Дзержинского, д. 32
Оренбургская область, г.Орск, проезд Металлургов 6А
Московская обл., г. Островцы, ул. Подмосковная, д.35
Московская обл., г.Павловский Посад, Большой железнодорожный проезд, д. 21/2, офис 2
г.Пенза, ул. Суворова, д.111, оф.115
Свердловская область, г. Первоуральск, пр-т Ильича, д.28г
г. Пермь, ул. Белинского, д. 49
г. Пермь, ул. Дружбы, д.26
г.Пермь, ул.Пушкина, д.116Б
г.Пермь, ул.Докучаева, д. 33А, к.2
г.Пермь, ул.Мира, д.9
Санкт-Петербург, Петергоф, ул. Константиновская, д.21
г. Петрозаводск, пр-т первомайский, д. 15
г. Петропавловск-Камчатский, ул. Бохняка, д.18
Приморский край, Пограничный, ул. Вокзальная, д 16
Московская область, г. Подольск, ул. Вокзальная д. 1, пом. 1
Московская область, г. Подольск, Домодедовское ш., д. 10
Московская область, г. Подольск, ул. Проспект Ленина, д.146, оф. 101
Кемеровская область, г. Прокопьевск, ул. Гагарина, д. 26/3
г. Псков, ул. Народная, д.53А.
г.Псков, ул. Л.Толстого, д.3, оф. 1014 (вход со двора)
Московская область, г. Пушкино, ул. Грибоедова, д.7
Ставропольский край, г. Пятигорск, ул. Ермолова, д.12а
Ставропольский край, г. Пятигорск, ул. 295 Стрелковой дивизии, д.1а
Ставропольский край, г. Пятигорск, ул.Бунимовича, д. 7
Московская область, г. Раменское, ул. Крымская д.1, оф. 3
Тамбовская область, г.Рассказово, ул. Советская, д.121Г
Московская обл., г.Реутов, ул. Победы, д.2, корп. 1, оф.1
Тверская обл. ул. Большая Спасская, д.29/64
г. Россошь, ул. Пролетарская, д. 148, оф.1
г. Ростов-на-Дону, пр. Космонавтов, д.1
г. Ростов-на-Дону, пр-т Стачки, д.175/2, "Западный"
г. Ростов-на-Дону, ул. Менжинского, д.4г
г. Ростов-на-Дону, пр. Семашко, д. 117Д
г. Ростов-на-Дону, ул. Лермонтовская, д.102, оф.5
Алтайский край, г. Рубцовск, ул. Октябрьская, д.104
Московская область, Ленинский район, г. Румянцево, Киевское шоссе, 22-й км., д. 4, стр. 2, блок Г, оф.231/2
Ярославская область, г. Рыбинск, пр-т Серова, д.1
г.Рязань, ул. Дзержинского, д.64/1
г. Рязань, пр-т Первомайский, д.9
Башкортостан респ., г. Салават, бульвар Космонавтов, д .16
Ямало-Ненецкий АО, г. Салехард, ул. Республики, д.76 (ТЦ Мегаполис), оф.45
г. Самара, ул. Ленинградская, д.17 вход через м-н "Гастроном"
г. Самара, ул. Клиническая, д. 23, оф. 37
г. Самара, ул. Гагарина, д. 90
г.Самара, ул. Ново-Садовая, д.220А
г. Самара, ул. Льва Толстого, д.123, оф. 102
г.Санкт-Петербург, ул. Одоевского, д.28
г. Санкт-Петербург, проспект Народного Ополчения, дом 10, литера А, 221Н (здание во дворе дома)
г. Санкт-Петербург, б-р Новаторов, д.67, корп. 2
г. Санкт-Петербург, ул.Кронштадтская, д.11
г. Санкт-Петербург, ул. Торфяная дорога, д. 2, корп. 1, лит. А
г. Санкт-Петербург, Коломяжский пр, д 28 корп 2, помещение 14-Н
г.Санкт-Петербург, Комендантский пр., д.4, корп.2, лит.А, Секция 001 МЦ КРУИЗ, вход со стороны м. Комендантский пр.
г. Санкт-Петербург, ул. Плуталова, д.8, лит.А
г. Санкт-Петербург, Московское шоссе, д.7, лит А, ТЦ Торговый дом
г. Санкт-Петербург, пр-кт. Юрия Гагарина, д.2, ТЦ «Благодатный» бесплатная парковка слева
г. Санкт-Петербург, ул.Кузнецовская, д.52, кор. 15А
г. Санкт-Петербург, Московский пр., д. 216
г. Санкт-Петербург, пр-кт Культуры, д. 19, помещение 21
г. Санкт-Петербург, Гражданский пр., д.84, литер А, пом 15Н
г. Санкт-Петербург, ул. Магнитогорская, д.55
г. Санкт-Петербург, ул. Комиссара Смирнова, д. 5/2, лит А, оф. 11-н
г. Санкт-Петербург, пр.Энгельса, д.137, пом.3Н
. Санкт-Петербург, Муринский 2-й пр., д.38А, ТЦ Клондайк 1 этаж 66 секция
г. Санкт-Петербург, Балканская площадь, д.5, ТК «Домострой», секц. 22
г.Санкт-Петербург, ул. Белы куна, д.20, кор 1, оф.40
г.Санкт-Петербург, ул. Крыленко, д.21, корп.1, вход со двора
г. Санкт-Петербург, ул.Полярников 12
г. Санкт-Петербург, пр-т Обуховской обороны, д.120, литер Б
г.Санкт- Петербург, ул Чайковского, д.34, вход под арку
г. Санкт-Петербург, Лиговский пр-т, д.50, корп.13, оф.100а
г. Санкт-Петербург,ул.Ефимова, д.4А, оф.200
г. Санкт-Петербург, ул. Подольская, д.31
Мордовия респ., г.Саранск, ул. Терешковой, д. 16
Мордовия респ., г.Саранск, ул. Короленко д.14
Мордовия респ., г.Саранск, ул. Советская, д.109 А
г. Саратов, ул.3-я Дачная, дом 1, корпус 14
г. Саратов, ул. Бахметьевская, д.20/24
Нижегородская область, г. Саров, ул. Куйбышева, д.11, оф.8
Крым респ, г. Севастополь, проспект Генерала Острякова, д.144, офис А-27
Крым респ., г. Севастополь, ул. Очаковцев, д. 34«А»
Крым респ., г. Севастополь, ул. Гоголя, 20 А
Крым респ., г. Севастополь, ул. Пожарова, д.21/23
Архангельская область, г. Северодвинск, ул. Полярная, д.40
Томская область, г. Северск, ул. Транспортная, д.30, оф. 104
Московская область, г. Сергиев Посад, ул. Болотная, д. 15
Свердловская область, г. Серов, ул. Народная, д.50ж
Московская область, г.Серпухов, ул.Ворошилова, д. 60
Санкт-Петербург, г.Сестрорецк, ул. Мосина, д.8А
Крым респ., г. Симферополь, ул. Киевская, д.89
Крым респ., г. Симферополь, ул. Желябова, 44А
Крым респ., г. Симферополь, ул. Гурзуфская, д.8
Крым респ., г. Симферополь, ул. Севастопольская, д.112
Крым респ., г. Симферополь, пр. Победы, д. 7
Краснодарский край, г. Славянск-на-Кубани, ул. Ленина, д.38
г. Смоленск, ул.Рыленкова, д. 61
г. Смоленск, ул. Верхне Сенная, д. 4, оф. 116, около кафе "7 слонов"
Челябинская область, г.Снежинск, ул.40 лет Октября, д.15, оф.5
Ханты-Мансийский АО, г. Советский, мкр. Хвойный, д. 22, рядом с магазином "Крепеж"
Московская область, г.Солнечногорск, ул.Лесная, д.13
Московская область, г. Солнцево, ул. Главмосстроя, д.7
Ленинградская область, г. Сосновый Бор, пр.Героев д. 37А
г. Сочи, ул. Молокова, д.44, оф.105
г. Сочи, ул. Павлова, д.40
г. Сочи, ул. Водораздельная, д. 5/1
г. Сочи, ул.Пластунская, д.47А
г. Ставрополь, ул. 45 параллель, д. 31
г. Ставрополь, ул. Мира, д.278д
Белгородская область,г. Старый Оскол,Архитектора Бутова, д. 12
Белгородская область,г. Старый Оскол, Квартал Дубрава, мкр. 3, д.31А, оф.12
Башкортостан респ., г. Стерлитамак, ул. Мира, д.14
Башкортостан респ., г. Стерлитамак, ул. Ленина, д.44
Башкортостан респ., г. Стерлитамак, ул. Коммунистическая, д. 46
Томская область, г. Стрежевой, 4 микрорайон, ул. Ермакова, д.417
Московская область, г. Ступино, ул. Горького, д.26, корп.Е
Крым респ., г. Судак, ул. Ленина, д.78Б
Ханты-Мансийский АО, г. Сургут, ул.Ленина, д. 35
Ханты-Мансийский АО, г. Сургут, ул. 30 лет Победы, д.58, оф.8
Ханты-Мансийский АО, г. Сургут, пр. Мира, д.22, оф. 16 (ТЦ Кировский)
Самарская область, г. Сызрань, ул. Володарского, д.16, оф.2Б
Коми респ., г.Сыктывкар, ул. Гаражная, д.9, оф. 106
Ростовская область, г.Таганрог, ул. Александровская, д.124
Ростовская область, г.Таганрог, ул. Пархоменко, д. 56
г. Тамбов, ул. Бебеля, д.18/ул. Совесткая, д.49
г.Тамбов, Моршанское Шоссе, д.17г
г.Тверь, ул.Симеоновская, д.39
г. Тверь, ул. Коминтерна, д. 69
Краснодарский край, г. Темрюк, ул. Ленина, д. 94
Ленинградская область, г. Тихвин, 4 микрорайон, д.39А, оф.11
Краснодарский край, г. Тихорецк, ул. Красноармейская, д.49/1
В нашем интернет-магазине Вы можете оплатить товар следующими способами:
- Оплата наличными при получении
- Оплата по счёту для Физических лиц
- Оплата по счёту для Юридических лиц
- Оплата банковской картой при получении (комиссия 3%)
- Оплата при получении наложенным платежом (комиссия 5%)
ПОЧТА ДЛЯ ЗАКАЗОВ:
e-mail: zakaz@faznik.ru
КАК КУПИТЬ:
- Добавить в корзину товар.
- В корзине выбрать удобный способ доставки.
- Выбрать подходящий способ оплаты.
- Прописать контактную информацию для связи с Вами.
- Нажать кнопку «Отправить заказ» (если не отправляется заказ, значит вы заполнили не все поля).
- На почту Вам поступит заказ.
- В рабочее время с Вами свяжется менеджер по почте или по телефону.
- Ваш заказ передадут на сборку.
ДОСТАВКА:
Доставка по Москве и области
- За час до приезда Вам позвонит курьер.
Доставка в регионы
- После отправки товара, Вам вышлют трек номер заказа для отслеживания в транспортной компании.
САМОВЫВОЗ:
- После подтверждения и согласования сроков с менеджером.
ГРАФИК РАБОТЫ:
- Пн. - Пт.: 8-18.
- Сб.-Вс.: выходной.
Отзывы о товаре
Фотографии покупателей
4.7



